今天给大家带来的分享是关于航空航天系列-液压滤芯压溃/爆破压力验证试验回路及设备,以及试验程序的内容。
1、试验回路及设备
1.1 试验台
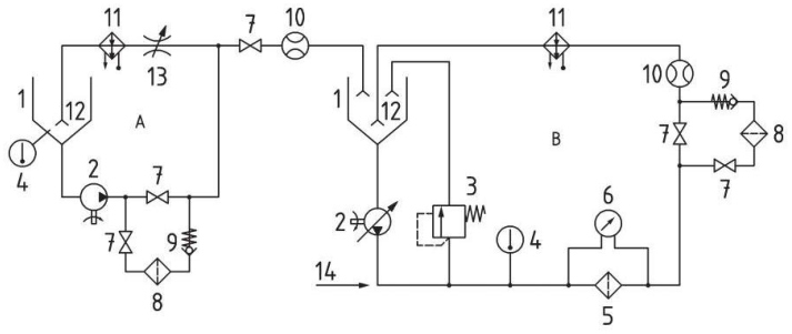
使用与图 1 描述的类似试验台和部件进行压溃/爆破试验。试验系统的主要构成如下:

符号说明:
A——污染物注入系统;B——过滤器试验系统;1——油箱;2——泵;3——安全阀;4——温度计;
5——被测过滤器;6——压差(△p)传感器;7——截止阀;8——净化过滤器;9——单向阀;10——流量计;
11——温度控制器;12——扩散器;13——节流阀;14——备用的污染物注入点
图 1 典型的压溃/爆破试验回路图
1.2 被测过滤器壳体
使用经过改良的、合适的被测过滤器壳体,确保油液不会旁路通过滤芯。
1.3 试验系统泵
泵和电机在压力大于指定压差的情况下能够维持试验回路中油液流量。整个试验过程中,泵和电机驱动系统,应能维持公差为 ±5% 恒定均匀流量。
注:流量的正向/反向波动引起过多的压力波动,这可能使结果不准确。
1.4 油箱
油箱应有足够容积容纳试验回路中的油液,其设计应能使污染物保持悬浮状态,避免出现死角和盲区。有证据表明,底部为锥形,锥角不超过 90° 的锥底油箱可以满足此要求。应在通往油箱回流管尾部安装一个扩散器,此扩散器应在油液液位以下,以防止油液产生气泡。
1.5 阀门和接头
使用接头和阀门控制通过过滤器的油液流量。
必要时可选择压力安全阀。
1.6 压力计
使用可以记录预期压差的压差传感器和频响在 40Hz~100Hz 的电子条形记录装置或等效的记录装置。
1.7 试验液
除非参与双方之间另有约定,试验油液应是 ISO 14085-3 附录 A 中规定的油液。
1.8 试验污染物
试验污染物为 ISO 12103-1,A2(ISO 细试验粉尘)。
1.9 在线自动颗粒计数器
试验系统中,在被测过滤器的下游,可选择安装按照 ISO 11943 校准的在线自动颗粒计数器,并在整个试验过程中记录颗粒数量。
2、试验程序
2.1 若在 ISO 14085-3 过滤效率试验之后进行压溃/爆破压力试验,应持续注入试验污染物直至达到指定的压溃/爆破压力或直至出现失效。
2.2 若仅进行压溃/爆破压力试验,滤芯应按照 ISO 2942 进行结构完整性测试。
2.3 若滤芯的初始冒泡点压力达不到或未超出制造商规定的最小初始冒泡点压力,则不能进行后续试验。若滤芯的初始冒泡点压力达到或超出了制造商规定的压力,允许排空滤芯内结构完整性试验所用的介质,或用压溃/爆破试验程序中使用的油液对滤芯进行清洗。
2.4 按图 1 所示的位置将过滤器壳体和模拟无阻滤芯安装在压溃/爆破试验回路中。
2.5 在制造商给定的额定流量或该额定流量的 50%~100% 间,试验温度 15℃ 到 40℃ 之间或按规定的试验温度下,测定装有模拟无阻滤芯的过滤器壳体的压差,并进行记录。
2.6 将被测滤芯安装在被测过滤器壳体内。
2.7 采用与 2.5 节相同的流量和温度对滤芯进行试验,整个试验过程中要保持恒定的流量,记录试验温度和整个压差条件下的油液黏度。若系统中安装了安全阀,安全阀开启压力应不小于被测试滤芯规定的最终压溃/爆破压力的 150%。
2.8 连续或间歇性向系统中注入污染物(有时也称为"批量加载")。对于间歇性加载,在最小间隔 2 分钟下,以不大于滤芯预估纳污能力 5% 速率的受控量注入试验污染物,同时维持规定的试验流量和试验温度。记录使用污染物的份额数。应以统一的方式注入足够低浓度的污染物,以便压力测量设备能够检测出任何结构故障。
注:若参与双方达成一致,为减少试验时间,可添加污染物的预负载量,其等于滤芯预估纳污能力的 50%。
2.9 记录通过过滤器的流量和压差,作为添加污染物质量(单位 g)的参考,直至通过滤芯的压差(单位 kPa)(过滤器组件压差减去过滤器壳体压差)满足或超出规定的压溃/爆破压力等级或直至出现故障。若间歇性添加污染物,加入污染物后记录流量和压差前要等待 1 分钟。
2.10 若要计量,需记录整个试验下游颗粒数量(见 1.9)。
2.11 停止试验,取出滤芯,若未出现物理压溃/爆破,根据 ISO 2942 规定,使用与 2.2 节相同的介质对其进行结构完整性测试。
2.12 若在达到压溃/爆破之前污染物已经充满了过滤器壳体,则此试验无效。
2.13 按照每分钟的克数计算污染物的质量注入率,并用此系数乘以时间(单位/min)得出添加污染物的质量。
2.14 按照线性坐标格式绘制出压差与添加污染物质量关系的曲线。