今天给大家带来的分享是关于旋转接头试验装置相关要求的内容。适用于平面密封旋转接头、球面密封旋转接头和柱面弹性体密封旋转接头的试验。
1、试验装置的设计应满足旋转接头的使用方式、试验工况及安装要求。
2、试验装置应采用稳压措施,压力值的极限偏差应为规定值的 ±2%。
3、试验装置轴的转速允差为规定值的 ±5%。
4、试验装置应保证试验介质不低于 5℃。
5、试验装置应能保证模拟密封腔内温度稳定、均匀。模拟密封腔内温度应保持在规定试验温度的 ±2.5℃ 范围内。
6、对于试验介质为液体的旋转接头,应具有收集和测量旋转接头泄漏液体的器具。试验装置原理图见图 1~图 3。
7、对于试验介质为气体的旋转接头,应在试验装置进气管路上安装流量计,流量计的量程应能覆盖。

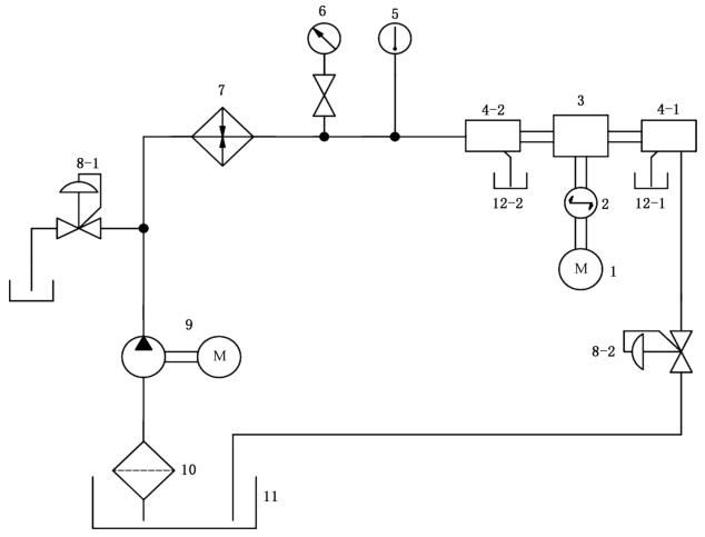
标引序号说明:
1——电机;2——扭矩传感器;3——辊筒;4-1,4-2——旋转接头;5——温度计;
6——压力表;7——加热系统;8-1,8-2——压力调压阀;9——水泵;
10——过滤器;11——水箱;12-1,12-2——量筒。
图 1 单通路平面密封旋转接头水介质试验装置试验回路原理图

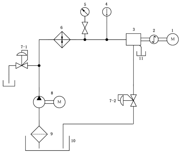
标引序号说明:
1——电机;2——扭矩传感器;3——旋转接头;4——温度计;5——压力表;6——加热系统;
7-1,7-2——压力调压阀;8——水泵;9——过滤器;10——水箱;11——量筒。
图 2 双通路平面密封旋转接头水介质试验装置试验回路原理图

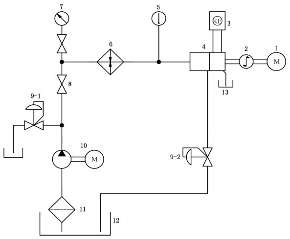
标引序号说明:
1——电机;2——扭矩传感器;3——轴承冷却系统;4——旋转接头;5——温度计;
6——加热系统;7——压力表;8——截止阀;9-1,9-2——压力调节阀;
10——油泵;11——过滤器;12——油箱;13——量筒。
图 3 双通路平面密封旋转接头导热油介质试验装置试验回路原理图