今天给大家带来的分享是关于液压传动 电调制液压控制阀-四通方向流量控制阀试验方法中试验条件和试验装置的内容。
1、试验条件
除非另有规定,应按照表 1 中所给出的试验条件进行阀的试验。
表 1 试验条件
| 参变量 | 条件 |
| 环境温度 | 20°C±5°C |
| 油液污染度 | 固体颗粒污染应按 GB/T 14039 规定的代号表示 |
| 流体类型 | 矿物液压油(符合 GB/T 7631.2 的 L-HL) |
| 流体黏度 | 阀进口处为 32mm²/s±8mm²/s |
| 流体黏度等级 | 符合 GB/T 3141-1994 规定的 VG32 或 VG16 |
| 压降 | 试验要求值的 ±2.0% |
| 回油压力 | 符合制造商的推荐 |
2、试验装置
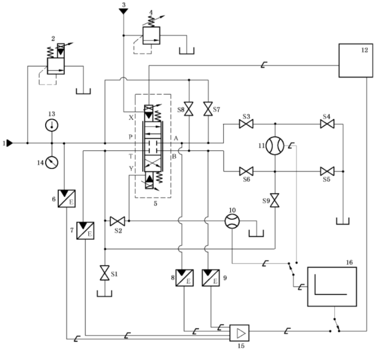
对所有类型阀的试验装置,应使用符合图 1 要求的试验回路。
安全提示:试验过程应充分考虑人员和设备的安全。
图 1 所示的试验回路是完成试验所需的最基本要求,没有包含安全装置。采用图 1 所示回路试验时,采用下列步骤实施:
a)试验实施指南参见附录A。
b)对于每项试验可建立单独的试验回路,以消除截止阀引起泄漏的可能性,提高测试结果的准确性。
c)液压性能试验以阀和放大器的组合进行实施。输人信号作用于放大器,而不是直接作用于阀。对于电气试验,输人信号直接作用于阀。
d)尽可能使用制造商所推荐的放大器进行液压试验,否则应记录放大器的类型与操作细节(如脉宽调制频率、颤振频率和幅值等)。
e)在脉宽调制频率的启、闭过程中,记录放大器的供电电压、幅值和作用于被试阀上的电压信号大小及波形。
f)电气试验设备和传感器的频宽或固有频率,至少大于最高试验频率的 10 倍。

说明:
1——主油源;2——主溢流阀;3——外部先导油源;4——外部先导油源溢流阀;5——被试阀;
6~9——压力传感器;10、11——流量传感器;12——信号发生器;13——温度指示器;
14——压力表;15——信号调节器;16——数据采集;S1~S9——截止阀;
A、B——控制油口;P——进油口;T——回油口;X——先导进油口;Y——先导泄油口。
图 1 试验回路
附录 A
(资料性附录)
试验实施指南
试验之前,被试阀的任何驱动放大器均需根据制造商的说明安装使用。
可使用信号发生器提供连续变化的输人信号,记录仪用来记录压力传感器和流量传感器所显示的相应压力和流量值。
注 1:阀对输人信号产生的压力和流量响应也可采用逐点法由手动记录。另一个可选择的方法是用逐点法人工记录该压力和流量值。
注 2:输人信号在半个试验周期内仅沿一个方向上升,而在另半个试验周期又沿另一个方向下降。这样的结果可以显现出来阀固有的滞环,使用自动信号发生器,可有效防止信号的误转换。
对于稳态试验,如果输出变化率比记录仪的响应慢,那么信号发生器产生的何种函数类型(如正弦、斜坡等)并不重要。记录仪宜具有将传感器和阀输人信号的幅值调整到合适尺度的功能,也包括使图中轨迹居中的方式。
除自动信号发生器之外,还需要提供带转换开关的手动控制输人信号装置,以便于阀和设备的设定。
宜记录电气调整数据。