减压阀的密封性能试验方法:
1、试验介质
试验介质为:
——常温空气(气体介质用减压阀);
——常温水(液体介质用减压阀);
——蒸汽(蒸汽介质用减压阀)。
2、试验持续时间
试验持续时间按表 1 的规定。
表 1 密封试验持续时间
单位为秒
| 公称尺寸 | 最短试验持续时间 |
| ≤DN50 | 60 |
| DN65~DN125 | 120 |
| ≥DN150 | 180 |
3、试验程序
3.1 被测阀门处于关闭状态。从进口处施加最高进口工作压力(铭牌上没有标明时,按公称压力的规定),出口通大气,测定并记录泄漏量。
3.2 气体检漏采用引出管(或其他适宜的方式)测定,如图 1 所示。引出管内径为 6mm,长度不大于 500mm,引出管进口距水槽内液面的高度不大于 300mm,引出管出口位于液面下且距液面不超过 15mm。

标引序号说明:
1——压力仪表;2——被测阀门;3——水槽。
图 1 气体密封试验系统示意图
3.3 液体检漏可采用收集并直接称量排放介质的测量方法,如图 2 所示。

标引序号说明:
1——压力仪表;2——被测阀门;3——量杯。
图 2 液体密封试验系统示意图
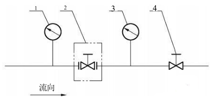
3.4 在减压阀泄漏量不便计量或需要一定背压才能实现密封的情况下,可按图 3 的方法进行密封试验。关闭被测阀门,从进口处施加最高进口工作压力,调节被测阀门的调节弹簧,使出口压力分别为最高允许出口压力和最低允许出口压力,然后关闭被测阀门后的节流阀。测定并记录被测阀门后压力仪表的升值。

标引序号说明:
1、3——压力仪表;2——被测阀门;4——节流阀。
图 3 密封试验系统示意图(压升)