今天给大家带来的分享是关于商用车离合器用液压软管总成(以下简称“软管及软管总成”)密封试验和高低温振动试验的内容。
1、一般要求
1.1 状态调节
用于试验的软管或软管总成应是至少 24h 以前制造的且未经使用的产品。试验前软管或软管总成应在 15℃~32℃ 温度下至少放置 4h。
1.2 试验介质
试验时使用的介质应为蒸馏水、GB 12981 规定的 HZY3 或 HZY4 制动液,也可采用供需双方商定的其它试验介质进行试验,但应在试验报告中注明。
1.3 试样环境
除有特殊要求外,试验应在室温为15℃~32℃的条件下进行。
2、密封试验
将试样一端连接到压力系统上,注满 1.2 规定的试验介质,排出所有空气后封堵另一端。以 25MPa/min±5MPa/min 速率加压到 9MPa,保持这一压力 30s~60s,在保压期间,目视检查软管总成是否有泄漏、局部膨胀等缺陷。
3、高低温振动试验
3.1 试验准备
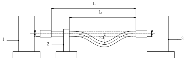
a)将试样在水平自由状态下拉直,测量软管总成管接头之间的长度 L;当 L>600mm时,在管接头之间安装一个可以固定软管的装置,调节固定装置与管接头间距离 L1 至600mm;当 L=600mm 时,可直接将软管总成一端连接压力源,另一端连接振动装置,如图 1 所示。
b)压力源装置应能施加 1.5MPa±0.3MPa 的压力,并能自动控制加压和泄压周期。
c)一个高低温试验箱,该高低温试验箱具有恒温控制装置,能够在 -43℃±2℃ 和 120℃±2℃ 的条件下进行精确的恒温调节。

标引序号说明:
1——压力源控制台;
2——固定装置;
3——振动装置,振动方向为垂直方向。
图 1 高低温振动试验装置示意图
3.2 试验程序
a)将试样连接到能施加 1.5MPa±0.3MPa 压力源控制台上。
b)将试样充满 1.2 规定的试验介质,并排出空气。
c)水平移动控制台使软管弯曲,并保证软管弯曲量为 20mm,如图 1 所示。
d)将试样的两端保持在一个相同的高度水平线上,其中一端进行固定,另一端可以在 0.5Hz~1Hz 的频率、20mm±2mm 的振幅条件下进行垂直方向的循环振动。
e)将环境箱温度调节至 -43℃±2℃,并在上述 3.2 d) 的条件下驱动振动装置连续进行 24 万次试验。
f)在继续保持在 -43℃±2℃ 的温度条件下,对软管总成施加 1.5MPa±0.3MPa 的压力,并在上述 3.2 d) 的条件下驱动振动装置连续进行 16 万次试验。
g)卸掉压力至 0MPa,并将环境箱的温度升至 120℃±2℃,在上述 3.2 d) 的条件下驱动振动装置连续进行 36 万次试验。
h)在继续保持在 120℃±2℃ 的温度条件下,对软管总成施加 1.5MPa±0.3MPa 的压力,并在上述 3.2 d) 的条件下驱动振动装置连续进行 24 万次试验。
i)试验结束后,检查软管总成是否有泄漏、局部膨胀等缺陷,并在 3h 内按照"2"进行密封试验。
以上就是今天的分享!如果您对用于上述试验的软管密封试验台和高低温振动试验装置感兴趣,欢迎与我们联系!
