航空航天 液压滤芯试验方法-调节作用之冷启动试验:
1、试验准备
1.1 检查安装滤芯的试验壳体是否配置旁通阀。若配置,应使旁通阀保持常闭状态,或应使用没有旁通阀的替代壳体进行冷启动试验。
若选定的试验壳体不适用,则将滤芯装入替代壳体,壳体内部应无旁通阀或者旁通阀处于关闭状态。替代壳体的内径不宜小于选定试验壳体的内径,否则可造成流向偏离,进而造成偏离区域滤材上的压力分布不均匀。
1.2 若采用图 1 所示试验原理,准备程序如下:
a)关闭取样阀;
b)将试验壳体充满试验介质,并连入试验回路中;
c)启动液压泵,使试验介质通过净化过滤器和试验壳体,对试验介质进行循环过滤;
注 1:采用的试验流量不会造成清洁滤芯超过其额定压差。
d)从试验壳体上游取样;
e)分析试验介质的污染度等级是否优于 ISO 11218 的 3 级;
f)若污染度等级劣于 ISO 11218 的 3 级要求,则继续对试验介质进行循环过滤,直至优于 ISO 11218 的 3 级的要求;
g)将被试滤芯装入试验壳体中;
注 2:能够使用工艺滤芯模拟冷启动试验,确保能实现冷启动流量循环。
h)短时开启液压泵,将试验壳体和周围管路的气体排至液压油箱。
1.3 调整液压泵的流量、溢流阀和三通换向阀,使装有被试滤芯的试验壳体压差波形满足下述要求:
a)增大流量,使压差在 2s~4s 内增加规定的最大滤芯压差,允许波动范围为 0%~5%;
b)保持最大压差持续时间 10s~11s;
c)减小流量,使压差在 1s~2s 内降低至最大压差值的 1%~3%;
d)在最大压差值的 1%~3% 压至下一组循环开始,且保压时间不少于2s;
e)压差波形应与图 2 相一致;
f)一个完整的循环周期(图 2 中的 1+2+3)应为 15s±1s。
1.4 环境试验箱内温度稳定在规定的最低温度。
1.5 将制冷器温度设定在规定的最低温度,开启液压泵,循环降温,直至试验台试验介质达到规定的温度。若未能稳定在规定范围内,则相应调整制冷器温度设定值。

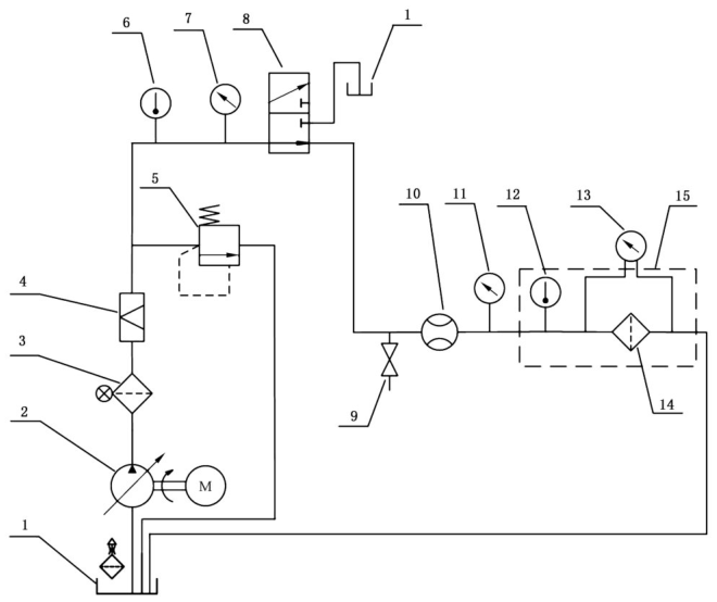
标引序号说明:
1——液压油箱;2——液压泵;3——净化过滤器;4——制冷器;5——溢流阀;6——温度传感器;
7——压力表;8——三通换向阀;9——取样阀;10——流量计;11——系统压力传感器/压力表;
12——温度传感器;13——压差传感器;14——被试过滤器/试验壳体;15——环境试验箱。
图 1 冷启动试验原理图
2、冷启动试验实施
2.1 确保冷启动试验台中的试验介质和环境试验箱温度已经稳定在规定的最低温度,且稳定时间不少于 4h。
2.2 开启数据记录系统并连续记录以下信息:
a)试验系统流量;
b)装有被试滤芯的试验壳体压差;
c)试验壳体上游的温度传感器读数。
2.3 按图 2 所示波形,完成 10 次冷启动循环,试验介质温度维持在规定的范围内。
2.4 完成 10 次冷启动循环之后,将被试滤芯从试验壳体中取出,允许排干试验壳体和被试滤芯中的试验介质。
注:如果需要,在取出滤芯之前,允许将环境试验箱温度升高至环境温度。

标引序号说明:
1——压差升高时间,为 2s~4s;2——最大压差维持时间,为 10s~11s;3——压差下降时间,为 1s~2s;
4——最小压差维持时间,不小于 2s;5——最大试验压差,允许波动范围为 0%~5%;
6——2 次循环间的压差,为最大过滤器压差的 1%~3%;
X——试验时间,s;Y——装有滤芯的试验壳体压差。
图 2 冷启动循环压差波形图
2.5 被试滤芯沥干试验介质后,使用与之相容的溶剂去除滤芯上的残留试验介质,在通风橱或相似的通风环境下沥干被试滤芯。
2.6 目视检验被试滤芯是否有可见的物理损坏迹象。
2.7 确保被试滤芯是干燥的。
2.8 将被试滤芯在室温或 20℃~30℃ 温度条件下密封保存,直至后续试验。