管法兰用垫片密封性能试验方法之氦质谱真空测漏法(方法C):
1、概述
适用于介质为纯度不低于 99.9% 的氦气,泄漏率 LV 在 10-8cm³/s(标准状态)~10-3cm³/s(标准状态)范围的垫片密封性能试验。
2、试验装置
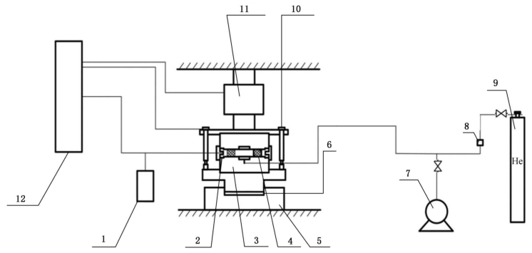
2.1 试验装置主要由垫片加载系统、试验介质供给系统、测试系统和试验法兰等组成,如图 1 所示。
标引序号说明:

1——氦质谱仪;2——测漏空腔;3——模拟法兰;4——垫片;5——油缸;
6——压力源;7——真空泵;8——压力传感器;9——氦气瓶;
10——位移传感器;11——载荷传感器;12——数据采集系统。
图 1 氦质谱真空测漏法的试验装置示意
2.2 垫片预紧比压的施加载系统应能提供规定的垫片预紧比压,并能控制恒定的加载速度和卸载速度。试验过程中垫片预紧比压的波动应在规定值的 ±2%。当垫片预紧比压小于或等于 35MPa 时,加载速度和卸载速度应为 0.2MPa/s;当垫片预紧比压大于 35MPa 时,加载速度和卸载速度应为 0.5MPa/s。
2.3 通入的试验介质应能提供规定的试验介质压力。试验过程中介质压力的波动应在规定值的 ±2%。
2.4 试验法兰采用模拟法兰,密封面为平面。试验法兰应具有足够的刚度,以确保能承受加载载荷,并不发生因压板变形而影响垫片表面比压的情况。法兰材料的弹性模量应为 195GPa~210GPa,密封面硬度应为 40HRC~50HRC,密封面表面粗糙度 Ra 应为 3.2μm~3μm。
2.5 氦质谱检漏仪推荐检测范围为 10-8cm³/s(标准状态)~10-3cm³/s(标准状态),分辨率不低于 10-9cm³/s(标准状态)。
3、试样
3.1 试样准备
试样选取后应在温度(23±5)℃、相对湿度(50±6)% 的环境下放置不少于 48h。试样从上述环境中取出,到试验开始前不应超过 30min。
3.2 试样尺寸
除另有规定外,垫片的公称尺寸为 DN80mm 或 NPS3。
3.3 试样尺寸测量
3.3.1 垫片厚度用分度值不大于 0.02mm 的量具测量,以等弧三点测量值的算术平均值为测量结果。
3.3.2 垫片直径(内径 Di 和外径 Do)用分度值不大于 0.02mm 的量具测量,以等弧三点测量值的算术平均值为测量结果。
4、试验条件
推荐试验条件见表 1,也可由文件使用者协商确定。
表 1 推荐试验条件
| 试样名称 | 垫片预紧比压 MPa | 试验温度 ℃ | 试验介质 | 试验介质压力 MPa |
| 无纤维增强橡胶垫片 | 7 | 23±5 | 不低于 99.9% 的工业氮气 或者不低于 99.9% 的氦气 | 1.0 |
| 无石棉纤维橡胶垫片 | 35 | 4.0 | ||
聚四氟乙烯垫片、 填充聚四氟乙烯垫片、 改性聚四氟乙烯垫片 | 35 | 4.0 | ||
| 膨体聚四氟乙烯垫片 | 25 | 4.0 | ||
| 柔性石墨复合增强垫片 | 35 | 4.4 | ||
| 非金属聚四氟乙烯包覆垫片 | 35 | 1.1 倍公称压力 | ||
| 缠绕式垫片 | 70 | 1.1 倍公称压力 | ||
| 金属包覆垫片 | 60 | 1.1 倍公称压力 | ||
| 金属齿形组合垫片 | 45 | 1.1 倍公称压力 | ||
| 金属波齿复合垫片 | 45 | 1.1 倍公称压力 |
5、试验程序
5.1 用软棉布蘸溶剂(如丙酮)清洗上下模拟法兰的表面,将垫片对中放置到模拟法兰之间。
5.2 按 2.2 和表 1 的规定,对垫片施加预紧比压,达到规定值后保持 15min。
5.3 打开真空泵,将管路抽真空至表压 -0.1MPa 以下,通入氦气对管路及密封腔内的气体进行置换,反复 2 次,然后关闭真空泵及其管路阀门。
5.4 打开氦气瓶,向密封腔内通入试验介质,利用减压阀调整氦气介质压力至规定的试验介质压力,使用氦质谱仪开始检漏,15min 后待泄漏率数值稳定记录泄漏率值。
5.5 关闭氦气瓶阀门,关闭氦质谱仪,放掉密封腔内的氦气,停止试验。
6、试验次数
从同一样本中选取若干个试样,并随机抽取不少于 3 个试样进行试验。
7、泄漏率计算和试验结果
最终试验结果取所有计算值的算术平均值并修约至两位有效数字。