今天给大家带来的分享是关于球阀的静压寿命试验技术要求的内容。
1、需进行静压寿命试验的球阀,密封性能应符合 GB/T 13927 或 GB/T 26480 的规定。
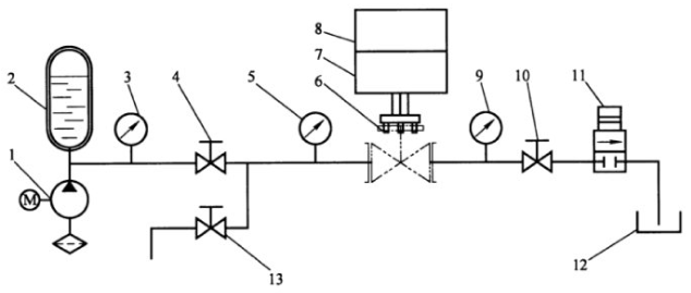
2、静压寿命试验系统原理如图 1 所示。
3、若球阀有流向要求,应以要求的流向安装;没有流向要求时,进出口端任意安装。
4、无论球阀采用何种驱动方式操作,进行静压寿命试验时,其所配带的操作装置应一同进行启闭循环试验。
5、试验介质为常温水或气体。
6、试验时,球阀进出口端的介质压差为 1〜1.1 倍的最大允许工作压力。
7、静压寿命试验时,球阀到达关闭位置后,应将球阀的出口侧介质压力泄压;球阀由全关位置开启时,其两端的介质压差为 1~1.1 倍的最大允许工作压力;球阀关闭过程中,体腔内应充满试验介质并保持 50% 以上最大允许工作压力。
8、静压寿命试验时,应由驱动装置操作控制球阀的关闭位置,行程位置的重复角度偏差应不超过 1°。以全关保持密封位置为起点,阀门的开度应达到其实际开度的 100%。

说明:
1——泵;2——稳压容器;3——压力表;4——进水阀;5——阀前压力表;6——被试阀;
7——行程控制机构;8——驱动机构;9——阀后压力表;10——阀后控制阀;
11——泄压阀;12——水箱;13——进气阀。
图 1 静压寿命试验系统原理
9、静压寿命试验时,球阀的操作力矩为进出口端介质压差为 1.1 倍的最大允许工作压力时,测量所得到的开启球阀的力矩。
10、静压寿命试验过程中,金属-非金属弹性密封副的球阀,每启闭循环 500 次,进行一次密封性能和操作力矩的检查;金属-金属密封副的球阀,每启闭循环 100 次,进行一次密封性能检查。密封性能合格后,继续试验。双向密封的球阀,应两个方向都进行密封性能试验。
11、启闭循环试验期间,若操作机构的输出力矩不满足球阀密封性能,允许调整操作机构的力矩。手动或蜗轮蜗杆机构操作的球阀,施加在手柄或手轮上的操作力不得超过 360N;电动、液动、气动或其他电-液气联动装置操作的球阀,用其他配带操作机构调整操作力矩,不得更换执行机构进行试验。
12、静压寿命试验记录参见表 1。
表 1 静压寿命试验记录

以上就是今天的分享!如果您对用于上述试验所需的阀门静压寿命试验装置感兴趣,欢迎与我们联系!
